Šiuolaikiniame pasaulyje, kur technologijos sparčiai žengia į priekį, namų ir turto saugumas tampa vis svarbesniu klausimu. Nesvarbu, ar gyvenate bute, ar nuosavame name, ar esate verslininkas, dažnai keliaujantis ir savo namus paliekantis neribotam laikui, saugumo klausimai tampa vis aktualesni. Vagysčių statistika rodo, kad net ir ramiausiuose rajonuose pasitaiko nemalonių incidentų, o ilgapirščiai gali pergudrauti net ir pačias moderniausias apsaugos sistemas. Šiame straipsnyje gilinsimės į tai, kaip veikia GSM signalizacija, kokias galimybes ji suteikia namų ir automobilių apsaugai, bei kaip išsirinkti tinkamiausią sprendimą.
GSM signalizacijos veikimo principai: mobiliojo ryšio galia
GSM signalizacija veikia mobiliojo ryšio principu, panaudodama GSM (Global System for Mobile Communications) technologiją. Tai reiškia, kad ji gali bendrauti ir siųsti informaciją naudojantis mobiliojo ryšio tinklais, panašiai kaip jūsų mobilusis telefonas. Įvykus pavojui, pavyzdžiui, aptikus neteisėtą judėjimą, atidarytas duris ar langus, ar užfiksavus dūmus, sistema automatiškai siunčia pranešimą savininkui. Šis pranešimas gali būti SMS žinutė arba tiesioginis skambutis į nustatytus telefono numerius. Tai suteikia galimybę savininkui nedelsiant sužinoti apie galimą pavojų ir priimti atitinkamus sprendimus - ar atvykti į vietą, ar skambinti policijai, ar pasinaudoti kitomis pagalbos paslaugomis.

Vienas iš svarbiausių GSM signalizacijos privalumų yra jos autonomiškumas. Tokia signalizacija gali veikti net ir dingus elektrai, nes dauguma sistemų turi integruotus akumuliatorius arba autonominio maitinimo funkcijas, kurios užtikrina sistemos veikimą tam tikrą laiką. Be to, GSM signalizacija gali veikti kartu su įvairiais jutikliais: durų ir langų davikliais, dūmų ir dujų detektoriais, judesio davikliais ir kitais aliarmais. Tai leidžia sukurti išsamų apsaugos tinklą, pritaikytą individualiems poreikiams.
GSM signalizacija namams: daugiau nei tik garsas
Kai pradedame galvoti apie namų saugumą, dažnai kyla dilema: ar pakanka signalizacijos, ar verta investuoti į vaizdo kameras? Vieni sako, kad užtenka garsinės sirenos, kiti neįsivaizduoja namų be nuotolinio stebėjimo. GSM signalizacija siūlo efektyvų sprendimą, derinantį įspėjimą apie pavojų su galimybe jį valdyti nuotoliniu būdu.
Belaidė GSM signalizacija yra itin populiari dėl paprasto montavimo. Nereikia gręžti sienų ar vesti laidų, todėl ji ypač tinka butams ar jau įrengtiems namams, kur sudėtingas laidų tiesimas būtų nepageidaujamas ar techniškai sudėtingas. Tokios sistemos gali turėti kelias laidines ir daugybę belaidžių zonų, leidžiančias lanksčiai pritaikyti daviklių išdėstymą.
Praktika rodo, kad efektyviausia apsauga pasiekiama derinant signalizaciją ir vaizdo stebėjimo sistemas. Signalizacija perspėja apie pavojų, o kameros leidžia suprasti, kas vyksta iš tiesų, suteikdamos papildomą informaciją ir galimybę greičiau identifikuoti grėsmę. Dėl šios priežasties daugelis vartotojų renkasi kompleksinius sprendimus, kurie apima tiek signalizacijos, tiek vaizdo stebėjimo elementus.
Jei norite sužinoti, kuris sprendimas geriausiai tiktų jūsų namams ar verslui - susisiekite su mumis. Mūsų specialistai padės pasirinkti tinkamiausią sistemą, atsižvelgiant į jūsų poreikius ir biudžetą.
GSM signalizacija automobiliui: šiuolaikinė apsauga ir patogumas
2025 m. GSM signalizacijos sistemos leidžia stebėti, valdyti ir apsaugoti automobilį naudojant telefoną. Jos užtikrina realaus laiko GPS sekimą, nuotolinį valdymą ir perspėjimus apie galimus incidentus. Šios sistemos - ne tik apsauga, bet ir patogumas kasdienai.
GSM signalizacijos sujungia apsaugos ir valdymo galimybes, apjungdamos tradicinius saugumo sprendimus su šiuolaikinėmis technologijomis. GPS integracija leidžia bet kuriuo metu tiksliai nustatyti automobilio buvimo vietą. Sistema naudoja GPS imtuvus ir GSM modulius, kurie perduoda informaciją apie transporto priemonės koordinates, greitį ir maršrutą tiesiai į savininko išmanųjį telefoną ar kompiuterį [1][2]. Kitas privalumas - galimybė registruoti visus automobilio judėjimus. GeoFence funkcija leidžia nustatyti virtualų perimetrą, pavyzdžiui, 300 metrų spinduliu, ir gauti pranešimą, jei automobilis jį kerta.
Šiuolaikinės GSM signalizacijos leidžia valdyti automobilį iš bet kurios pasaulio vietos. Ypač patogu žiemos metu - nuotolinis variklio užvedimas leidžia iš anksto pašildyti saloną, užtikrinant komfortą. Kai aptinkamas neleistinas judėjimas, sistema siunčia momentinius perspėjimus - tai gali būti SMS žinutės, programėlės pranešimai ar net skambučiai [1][2][3]. Variklio imobilizavimo funkcija užtikrina, kad transporto priemonė negalėtų būti užvesta be tinkamos autorizacijos. Net jei vagys atjungtų akumuliatorių, sistema išliks veiksminga dėl autonominio maitinimo funkcijos.
Lietuvoje GSM signalizacijos ne tik padeda apsaugoti automobilius, bet ir suteikia daug patogumo kasdieniam gyvenimui. Šie sprendimai tampa ypač naudingi mūsų klimato sąlygomis, kur dažnai reikia pasirūpinti automobilio paruošimu kelionei. GSM signalizacijos siūlo 24/7 stebėjimą ir momentinius perspėjimus, kurie yra veiksmingi tiek miestuose, tiek užmiesčio vietovėse [1]. Miestuose, kur automobilių vagystės yra dažnesnės, tokie sprendimai gali greitai įspėti savininką apie įsilaužimą. Lietuvoje siūlomos GSM signalizacijos yra pritaikytos vietinėms sąlygoms - jos turi lietuvišką meniu ir pranešimus, kas ypač svarbu kritinėse situacijose.
GSM signalizacijos neapsiriboja vien saugumu - jos taip pat gerokai palengvina kasdienį gyvenimą. Pavyzdžiui, nuotolinis variklio užvedimas leidžia iš anksto pašildyti automobilį žiemą arba atvėsinti saloną vasarą, todėl kelionė tampa maloni nuo pat pradžių [3]. Be to, šios sistemos siunčia pranešimus apie svarbius automobilio parametrus, tokius kaip akumuliatoriaus įkrovos lygis ar techninės būklės pokyčiai. Tai padeda išvengti netikėtumų ir laiku imtis reikiamų veiksmų.
Automobilių savininkai, pasirinkę GSM signalizacijas, dažnai gauna naudos ir iš draudimo bendrovių. Lietuvoje KASKO draudimui dažnai taikomos nuolaidos, kurios gali siekti 10-20 %, jei automobilis turi pažangią apsaugos sistemą. Šių sistemų kaina Lietuvoje svyruoja nuo 120 iki 350 eurų už pilną komplektą [1]. Nors tai gali atrodyti kaip didesnė investicija, ji atsiperka per draudimo nuolaidas, mažesnę vagystės riziką ir kasdienio naudojimo patogumą.
Kaip išsirinkti tinkamą GSM signalizacijos sistemą?
Renkantis GSM signalizaciją, svarbu atsižvelgti į savo automobilio ypatybes, kasdienius poreikius ir biudžetą. Tik taip užtikrinsite ne tik saugumą, bet ir patogų naudojimą.
- Suderinamumas su automobiliu: Pirmiausia įsitikinkite, kad jūsų automobilis palaiko pasirinktą sistemą. Patikrinkite, ar signalizacija veikia tiek su Android, tiek su iOS įrenginiais.
- Funkcionalumas: Pagvokite apie savo poreikius. Rinkitės sistemas, kurios siūlo realaus laiko GPS sekimą, nuotolinį valdymą, momentinius perspėjimus, galimybę valdyti buitinę techniką ar nuotoliniu būdu užvesti variklį.
- Montavimas: Įvertinkite, ar signalizaciją galėsite įdiegti patys, ar tam reikės profesionalų pagalbos. Nors kai kurios sistemos montuojamos itin lengvai, profesionalus montavimas užtikrina tinkamą sistemos veikimą ir išvengia galimų gedimų.
- Garantija: Rinkitės sistemas, kurios siūlo bent 24 mėnesių garantiją tiek įrangai, tiek montavimo darbams.
- Kaina ir papildomos išlaidos: GSM signalizacijų kainos Lietuvoje svyruoja nuo 120 iki 350 eurų, priklausomai nuo funkcionalumo ir gamintojo [1][5]. Taip pat nepamirškite, kad kas mėnesį reikės mokėti už SIM kortelę - tai sudaro apie 2-5 EUR per mėnesį (24-60 EUR per metus) [5].
Paslaugų teikėjai ir profesionalus montavimas:
Nors kai kurias GSM signalizacijas galima įrengti ir patiems, profesionalus montavimas dažnai yra rekomenduojamas, ypač sudėtingesnėms sistemoms ar automobiliams su pažangiomis elektroninėmis sistemomis. Įmonės, tokios kaip AUTOGARSAS.LT, siūlo ne tik įrangos pardavimą, bet ir pilną paslaugų spektrą: nuo konsultacijų iki sudėtingų projektų įgyvendinimo. "Mes ne tik prekiaujame internetu - mes įrengiame, projektuojame ir montuojame. Be to, profesionalus montavimas užtikrina ir kokybišką aptarnavimą po montavimo. Jei kiltų problemų ar reikėtų atnaujinti sistemą, specialistai, gerai išmanantys konkrečią įrangą, visada padės [1]. AUTOGARSAS.LT komanda turi patirties dirbant net su prabangių automobilių sistemomis, todėl gali įveikti ir sudėtingesnius iššūkius. Rinkdamiesi AUTOGARSAS.LT, gaunate sprendimą, kuris yra pritaikytas būtent jūsų automobilio poreikiams ir biudžetui. Visoms signalizacijos sistemoms taikoma 24 mėnesių garantija, o pateikiami dokumentai gali padėti gauti KASKO draudimo nuolaidą.
GSM Signalizacija su Judesio Davikliu
Kompleksinės apsaugos sistemos: sinergija ir patikimumas
Šiandieninėje visuomenėje, kur saugumas tampa vis svarbesnis, vien tik signalizacija nebėra pakankama apsauga nuo įsilaužimų. Kompleksinės apsaugos sistemos - patikimiausia Jūsų nuosavybės saugojimo forma ištisą parą, kuri tampa nebe prabanga, o būtinybe. Apsaugos tarnybos siūlo platų saugumą užtikrinančių kompleksinių įrenginių pasirinkimą, kurie sprendžia svarbias žmonių gyvybei, sveikatai bei jų turto išsaugojimui skirtas užduotis.
Signalizacija yra pagrindinė kompleksinės apsaugos sistemos dalis. Ji priskiriama techninės apsaugos tipui. Objekto perimetras, taikant techninę apsaugą, blokuojamas specialiais apsaugos signalizacijos davikliais, kurie automatiškai reaguoja į bet kokį neteisėtą būdą patekti vidun. Signalizacija leidžia parinkti daviklių kiekį ir paskirtį, atsižvelgiant į Jūsų objekto parametrus, aukštą, kuriame gyvenate (jei tai butas), kambarių (kabinetų, patalpų) skaičių ir bendrą plotą.
Ypač svarbu pasirūpinti atokiau esančio privataus turto apsauga, nes ilgam paliktas be priežiūros toks turtas tampa masalu vagišiams. Į privataus turto apsaugą atsižvelgti kviečia ir statistika: net 75 proc. vagysčių vykdoma iš privačių namų.
Visos kompleksinės apsaugos sistemos kompleksiškai surištos tarpusavy. Tokiu būdu sukuriama integruota erdvė, skirta keitimuisi signalais tarp skirtingų elementų. Visos sistemos dirba kompleksiškai, vienu metu atlikdamos kontrolės, pavojaus nustatymo, įvertinimo, izoliavimo ir reagavimo į jį funkcijas. Be to, dėl centralizuoto, nuotolinio posistemių valdymo atsiranda galimybė operatoriui susidaryti pilną saugomo objekto būsenos ir jo apsaugos sistemų funkcionavimo paveikslą.
Patariame sumokėti fiksuotą mėnesinę įmoką (o ji nebūtinai labai didelė) už namo apsaugą ar vieną kartą įsigyti turto apsaugai skirtą įrangą nei, priešingu atveju, gailėtis netekus brangios buitinės technikos ar namuose laikomų santaupų.
Apsaugos sistemų tipai ir komplektacijos
Signalizacijos yra naudojamos įvairiose patalpose, pagal tai dažniausiai ir būna komplektuojamos. Jei namams ir butui apsaugoti naudojami davikliai reaguojantys į langų bei durų atidarymus ir kartais langų dūžius - tai tokios patalpos kaip garažas apsiriboja davikliais ant durų, kurie retkarčiais papildomi ir judesio davikliais. Surasime sprendimus buto, individualaus namo, sodybos, biuro, gamybinių ir komercinių patalpų ar kito objekto apsaugai.
Populiariausi apsaugos sistemų komplektai apima įvairius gamintojus ir konfigūracijas, pavyzdžiui: PARADOX, DSC, ELDES, AJAX. Šios sistemos gali būti laidinės arba belaidės, pritaikytos įvairioms patalpoms - nuo individualių namų ir garažų iki komercinių objektų ir vasarnamių. Pavyzdžiui, AJAX apsaugos sistemų rinkinys yra optimalus sprendimas norint įsirengti belaidę signalizaciją savo namuose, susidedantis iš išmaniosios centralės, judesio jutiklio, dūmų detektoriaus, magnetinio kontakto ir vidinės sirenos.
Elektroninės apsaugos sistemų pagrindai
Elektroninė apsauga namams suteikia efektyvų būdą apsisaugoti nuo įsibrovėlių ir kitų namų saugumo grėsmių. Šiame skyriuje aptariami pagrindiniai sistemos komponentai ir kaip jie veikia kartu, užtikrindami maksimalią apsaugą.
Apsaugos sistemos komponentai:
- Signalizacija: centrinis elementas, priimantis signalą iš kitų sistemos dalių ir inicijuojantis įspėjamuosius veiksmus.
- Judėjimo davikliai: įrenginiai, fiksuojantys judesį tam tikrose zonose.
- Durų/langų davikliai: sensoriai, nustatantys, ar durys ar langai nebuvo priverstinai atidaryti.
- Kontrolės panelė: sistemos valdymo centras, leidžiantis nustatyti ir keisti apsaugos nustatymus.
- Signalizacijos sirenos: garsiųjų įrenginiai, skleidžiantys triukšmą, kai sistema nustato grėsmę.
- Vaizdo kameros: transliuoja ir įrašo vaizdą iš įvairių namo vietų realiu laiku.
- Pultas: nuotolinis sistemos valdymo įtaisas.
Sistemos pagrindas - įvairių komponentų sinchronizavimas, leidžiantis nedelsiant reaguoti į galimus pavojus. Kai judėjimo ar atidarymo davikliai aptinka neįprastą veiklą, jie perduoda signalą signalizacijai. Ši, savo ruožtu, gali įjungti sirenas arba pranešti į saugos tarnybą. Kontrolės panelė suteikia vartotojui galimybę įjungti ar išjungti sistemą ir pritaikyti jos nustatymus pagal individualius poreikius, o nuotolinis pultas leidžia patogiai valdyti apsaugos būseną iš bet kurios namų vietos. Vaizdo kameros įrašai padeda ne tik stebėti namų aplinką, bet ir suteikia reikšmingų įrodymų, jei įvyksta vagystė.
Belaidės ir laidinės apsaugos sistemos: privalumai ir trūkumai
Pagal pajungimo principą signalizacijos skirstomos į laidines ir belaides.
Belaidės sistemos:
- Privalumai: nereikia tiesti laidų, dėl to kartais gali būti pigesnės ir paprasčiau sumontuojamos. Sistemos elementai (judesio davikliai, durų magnetai ir kt.) individualiai yra susieti su centrale, dėl to programavimo darbai tampa paprastesni, juos gali atlikti asmuo neturintis specifinių žinių, užtenka vadovautis gamintojo teikiama instrukcija.
- Trūkumai: priklausomai nuo gamintojo, bevielės sistemos gali būti brangesnės, gali kilti problemų dėl trukdžių (storos sienos ir kt.), yra tikimybė, kad dėl trukdžių davikliai gali iššaukti klaidingus aliarmus.
Laidinės sistemos:
Esminis laidinių apsaugos sistemų pranašumas prieš belaides yra tas, kad jos pajungiamos nuo centrinio maitinimo šaltinio ir nereikalauja dažnos baterijų eksploatacijos patikros. Tokios baterijos montuojamos centralėse, iš jos laidais maitinami visi davikliai ir kiti komponentai. Belaidės sistemos turi būti maitinamos atskirai, tiek centralė, tiek kiekvienas atskiras elementas, žinoma, yra galimybė pavienius elementus maitinti ir pastovaus maitinimo šaltiniais, tačiau visgi dažnesnis variantas yra baterijos, kurių gyvavimo trukmė svyruoja nuo 1 iki 3 metų. Laidinės sistemos akumuliatoriai (užtikrinantys sistemos darbą tuo metu, kai dingsta pastovus maitinimas) veikia apie 5 metus, priklausant nuo jų apkrovos ir komponentų skaičiaus.
Saugos tarnybos: profesionali pagalba ir ramybė
Norint džiaugtis išties efektyvia ir patikima apsaugos įranga, tikrai vertėtų ją prijungti prie saugos tarnybų stebėjimo ir valdymo centro, kuris patikimai rūpinsis patalpų apsauga ištisą parą ir operatyviai reaguos į iškilusį, bet kokio pobūdžio pavojų.
Net jei Jūsų namuose įrengta signalizacija ar vaizdo stebėjimo kameros, natūralu, kad patys negalite jų nuolatos stebėti ir sekti. Net ir užfiksavus įsibrovimą, nebūtinai jį pastebėsite iš karto. O jei įsilaužimą pastebėsite Jūs arba Jūsų kaimynai, abejonės imtis tolimesnių veiksmų gali lemti tai, kad laiku nesureaguosite nei Jūs, nei policijos pareigūnai. Būtent dėl to, siekiant užtikrinti visapusišką savo namų ir šeimos narių saugumą bei ramybę, įrengtą apsaugos sistemą būtina prijungti prie saugos tarnybos stebėjimo ir valdymo centro, kuris saugos jūsų objektą 24/7.
O gavus pavojaus signalą, nedelsiant siunčiamas greitojo reagavimo ekipažas, kuris nutrauks pasikėsinimą nukreiptą prieš jus ar jūsų turtą.
Esminiai privalumai, kurių galite tikėtis pasinaudojus saugos tarnybų paslaugomis:
- Greita reakcija: Pastebėjus įsibrovimo, gaisro ar kitas namų saugumą neigiamai įtakojančias aplinkybes reaguojama žaibiškai, nedelsiant imamasi veiksmų ir iš karto į įvykio vietą siunčiamas greitojo reagavimo ekipažas.
- Nuolatinė įrangos priežiūra: Reguliariai stebima įdiegtos apsaugos sistemos būklė. Pastebėjus bet kokius sutrikimus, nedelsiant juos šalinami, o sugedusias dalis - keičiame naujomis.
- Inovatyvūs sprendimai: Galima ne tik integruoti naują apsaugos sistemą, bet ir atnaujinti seną, funkcionalumą praradusią signalizaciją. Senos apsaugos sistemos atnaujinimas - finansiškai palankus sprendimas, kuris leidžia savo namuose visada turėti pažangią ir aukščiausiais kokybės standartais pagrįstą signalizaciją.
Kiti svarbūs apsaugos sistemos elementai
Daviklių būna įvairių techninių specifikacijų ir tipų. Vienas judesio daviklis gali būti užuolaidinis, saugantis perimetrą ir veikiantis tiesia linija, kitas apimti ribotą patalpos plotą ir saugoti praėjimus prie durų, koridorius, apimdamas nuo kelių iki keliasdešimt kvadratinių metrų. Naujos apsaugos sistemos suteikia galimybę valdyti signalizacijos būseną (įjungti, išjungti ir pan.) nuotoliniu būdu savo mobiliuoju telefonu.
Apsaugos sistemą sudaro: centralė, klaviatūra, akumuliatorius ir/arba transformatorius sistemos maitinimui, davikliai, magnetiniai kontaktai, sirenos. Pasyvieji infraraudonųjų spindulių davikliai. Dvigubo veikimo judesio davikliai -tai infraraudonųjų spindulių ir mikrobanginio judesio daviklis viename prietaise.
Zonų skaičius reiškia kiekį daviklių, kurį gali aptarnauti centralė. 1 zona -1 daviklis. Zonų skaičius priklauso nuo centralės (sistemos „smegenų“), kurios gali turėti nuo kelių iki kelių šimtų zonų. Prie daugumos centralių yra galimybė prijungti išplėtimo modulius.
Magnetinis kontaktas skirtas stebėti ir fiksuoti atidaromas duris, langus, vartus ar slankiuosius mechanizmus. Visi magnetiniai kontaktai turi savo suveikimo atstumus. Kontaktai suveikia ir informuoja apie saugumo pažeidimą, kai kontaktas tarp jų yra nutraukiamas, vieni suveikia vos nutraukus kontaktą tarp jų, kiti - nutolus daugiau nei 5 mm ir daugiau, yra įvairių techninių specifikacijų magnetinių kontaktų.
Centralė ir klaviatūra turi būti to paties gamintojo, nes tik taip galima užtikrina pilną suderinamumą tarp dviejų sistemos komponentų. Esminis suderinamumo poreikis jaučiamas programuojant sujungtą apsaugos sistemą, nes centralė turi suprasti visus valdymo klaviatūros jai siunčiamus signalus ir turėti užprogramuotą atsaką.
Autonominės GSM Signalizacijos
GSM autonominės signalizacijos yra kiekvienam prieinamas ir greitas bei paprastas sprendimas turto apsaugai. Tokią sistemą įsirengti Jūs galite vos per kelias minutes.
GSM signalizacijos montavimas ir priežiūra
Jei jau namuose yra sumontuota signalizacijos sistema, ne visiems asmenims gali būti aišku kaip ja naudotis. Tačiau dėl to nereikia bijoti. Atvykę meistrai ir sumontavę visą techniką jums paaiškins kaip veikia pati signalizacija. Jums taip pat bus suteiktas asmeninis kodas, kurį jūs pats galėsite susikurti tam, kad tik jūs ar jūsų šeimos nariai žinotų kaip įjungti ar išjungti signalizaciją. Taigi galite nebijoti dėl to, kad tik bus sumontuotas prietaisas jūs būsite paliktas su naudojimosi instrukcija. Taip tikrai nebus ir meistras mielai jums parodys ir paaiškia, jei reikės ir kelis kartus kaip kas veikia.
Taigi, kas montuoja ir administruoja šias signalizacijas. Jei nusprendėte, kad jums ji reikalinga tuomet jūs turėsite pasirinkti įmonę, kuri ir sumontuos ir administruos jūsų namų saugumą. Todėl jums patiems nereikės sukti galvos dėl to, ar signalizacija veikia, nebent pamatysite akivaizdžius trukdžius dėl ko ji neveikia kaip turėtų veikti. Tačiau jei kuomet signalizacija bus pajungta ji suveiks ir pasijunks į jūsų namus kuo greičiau atvyks apsauga, kuri patikrins ar signalizacijos suveikimas buvo tikslus.
Jei kils neaiškumų, mūsų specialistai visada jums padės ir patars. Nėra jokių abonementinių mokesčių. Pavojaus signalas pranešamas Jūsų įrašytais telefono numeriais. Gavus pavojingą signalą, savininkas pats sprendžia koki sprendimą priimti (atvažiuoti, skambinti į policiją, gaisrinę arba pvz. kaimynui). Visada galima pasiklausyti kas vyksta patalpoje, nes kiekviena apsaugos sistemą turi įmontuota mikrofoną. Jeigu reikia signalizacija lengvai gali būti perkelta į kitą vietą. Lengvas montavimas leidžia tokią signalizacija pasiimti į kelionę ir sumontuoti pvz.
SIM kortelės paruošimas:
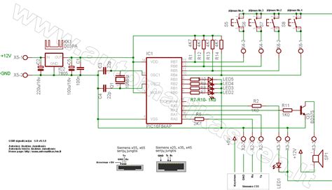
Jei po SIM kortelės keitimo tinkamai nebeveikia GsmAlarm įrenginys rekomenduojame patikrinti šiuos dalykus:1) Ar SIM kortelė aktyvuota?2) Ar nuimtas PIN kodas?3) Pastaruoju metu susiduriame, kad naujai gaminamos SIM kortelės yra plonesnės, todėl rekomenduojame SIM kortelės viršuje priklijuoti mažą lipduką, kad SIM kortelės kontaktai geriau liestu SIM kortelės lizdo kontaktus.
Naudojant programą GAPROG, galima užprogramuoti, nuskaityti, išsaugoti GsmAlarm-xxx parametrus, atnaujinti programinę įrangą. Derinant sistemą, kompiuterio ekrane matoma detali informacija: rezervinio akumuliatoriaus įtampa, GSM ryšio parametrai, visų zonų ir programuojamų išėjimų būsena, vėliausių įvykių sąrašas (signalizacijos suveikimo laikas, suveikusios zonos ir srities pavadinimas, vartotojo, įjungusio arba išjungusio saugojimo režimą, vardas).
tags: #kaip #veikia #gsm #signalizacija